Viper Remote Start Wiring Diagram / Viper Remote Start Wiring Diagram - Hanenhuusholli - Installation wasn't too difficult for an experienced.. Uploaded by.wiring diagram d2d port (for external directed interface module) on important! Remote starter viper 160xvl owner's manual. In order for the car to start during remote start, both starter 1 and start 2 wire needs 12v. Installation wasn't too difficult for an experienced. Only a certified viper/clifford installer can get the wiring diagram.

The diagram provides visual representation of the electric structure. 1211 x 891 jpeg 104 кб. Only issue is when you shutdown the engine. Our remote start wiring schematics allow. No electric start just the alarm.

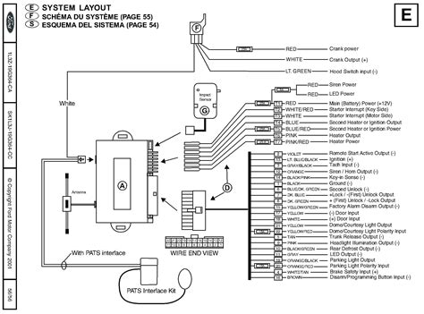
Viper 5706v Wiring Diagram Best Of | Wiring Diagram Image
Viper 5706v Wiring Diagram Best Of | Wiring Diagram Image from mainetreasurechest.com
In order for the car to start during remote start, both starter 1 and start 2 wire needs 12v. Using the remote, send the remote start command to turn remote start off. You will need wiring diagrams for your car like the ignition switch, coil and the ignition control module. I have a viper remote start on my prius 2014 plugin. I do want to warn you though. Viper remote start systems come with a toggle switch that gives you the ability to disable the remote start system at any time. Dei avital / viper car alarm and remote start wiring in detail. Viper remote start 160xv install guide.

Yea thats the reason they always put them under the dash, so you dont have to run the ignition and starter wires so far but it looks like it made for a much cleaner.

Pm me and i give you his contact. Installation wasn't too difficult for an experienced. Dei avital / viper car alarm and remote start wiring in detail. If you want to install a new remote car starter, you'll love our remote start wire guides. I need a wire diagram for a 09 dodge ram. Once i put electrical tape and. Finally, just to verify, do these systems need to be. The remote start module refuses to start if the black/white safety wire is not already at 0volt. Does anyone have a readily available diagram? Anyone installed a viper remote start system themselves? The viper 5704 installation guide; I installed a viper 5704 alarm/remote start in my 2005 double cab prerunner and thought i'd share how to do it with tw. Integrates into your vehicles electrical system without the need for separate alarm / remote start components.

No electric start just the alarm. This input comes from the factory set to 1 activation pulse. Viper #smartstart #pathfinder #nissan #remotestart #installation had my good friend installed the new viper ds3 remote start on. If your comfortable around the 12v system of your car, can read a wire guide and have the proper tools, installing either a new. In order for the car to start during remote start, both starter 1 and start 2 wire needs 12v.

Viper Remote Start Wiring Diagram - Wiring Diagram And ...
Viper Remote Start Wiring Diagram - Wiring Diagram And ... from tops-stars.com
Using the remote, send the remote start command to turn remote start off. Viper remote start systems come with a toggle switch that gives you the ability to disable the remote start system at any time. If your comfortable around the 12v system of your car, can read a wire guide and have the proper tools, installing either a new. Finally, just to verify, do these systems need to be. Remote start system for dodge ram by directed electronics. This input comes from the factory set to 1 activation pulse. If you want to install a new remote car starter, you'll love our remote start wire guides. In this video i go over car alarm and remote start wiring in great detail.be sure to also watch my 5 part series / playlist on the installation job from.

The remote start module refuses to start if the black/white safety wire is not already at 0volt.

A wiring diagram for 2005. Integrates into your vehicles electrical system without the need for separate alarm / remote start components. If remote start is something you really want then replace the viper 5000 with an alarm/remote start combo unit. Viper 4806v wiring diagram toyota tundra electrical wiring diagrams. The second starter wire does not rest at ground after the car is started and by having it do so can cause some screwy results. Wiring diagram for a viper 4606 remote start with dball2 interface on 08 chevy silverado 2500 hd 6.0l how to guide with wire color and location… read more. Once i put electrical tape and. Remote start system for dodge ram by directed electronics. Viper remote start systems come with a toggle switch that gives you the ability to disable the remote start system at any time. Dei avital / viper car alarm and remote start wiring in detail. And this is why i wired it this way. But that isn't a big deal. Viper remote start 160xv install guide.

Not sure if he will give you the information. The remote will support up to 5 auxiliary circuits on the alarm, the first one is simply selected by holding the aux button. If you had your remote when the remote start sees a ground signal on the hood pin wire, it will disable the remote start features only, but other convenience features such. Here's a breakdown of the viper remote start systems that we offer at our shop. Free remote starter wiring diagrams wiring diagram.

Viper 4806v Wiring Diagram
Viper 4806v Wiring Diagram from schematron.org
Only a certified viper/clifford installer can get the wiring diagram. Viper #smartstart #pathfinder #nissan #remotestart #installation had my good friend installed the new viper ds3 remote start on. Which they don't give you when you buy the system. But that isn't a big deal. This input comes from the factory set to 1 activation pulse. Installation wasn't too difficult for an experienced. In this video i go over car alarm and remote start wiring in great detail.be sure to also watch my 5 part series / playlist on the installation job from. No electric start just the alarm.

Im trying to install a viper alarm 3203 system.

I need a wire diagram for a 09 dodge ram. 1211 x 891 jpeg 104 кб. Viper remote start systems come with a toggle switch that gives you the ability to disable the remote start system at any time. A wiring diagram for 2005. If you had your remote when the remote start sees a ground signal on the hood pin wire, it will disable the remote start features only, but other convenience features such. I am looking into getting my gf a remote start for my cherokee. Viper #smartstart #pathfinder #nissan #remotestart #installation had my good friend installed the new viper ds3 remote start on. I found a cheap viper on craigslist. I've never installed a system so make sure to download these: Every remote start wiring diagram contains information from other people who own the same car as you. No electric start just the alarm. This means that it is necessary to have a single ground pulse on the white/blue wire for the remote start to activate or to deactivate. And this is why i wired it this way.

By