Tail Light Wiring Diagram : TheSamba.com :: Gallery - Tail Light Wiring Diagram (WRONG) : I put led lights into my existing tail lights.. I want to measure the voltage when i apply the brakes to make sure the issue isn't with i am going to measure the voltage for the circuit board on the tail light assembly too. 30 beautiful brake light wiring diagram 1994 gmc sierra. It lights up fine when the brake is applied but is a no go with the lights on. Electronic ballast has six ports, two ports out of six. Originally posted by carid can't dissagree with you.

There should be a link for the service manuals floating around here somewhere. Obviously have the hyper blinking. If so, driver side or passenger side? Is there a relay in a kick panel inside? Complete wiring diagrams can be found in the fsm.

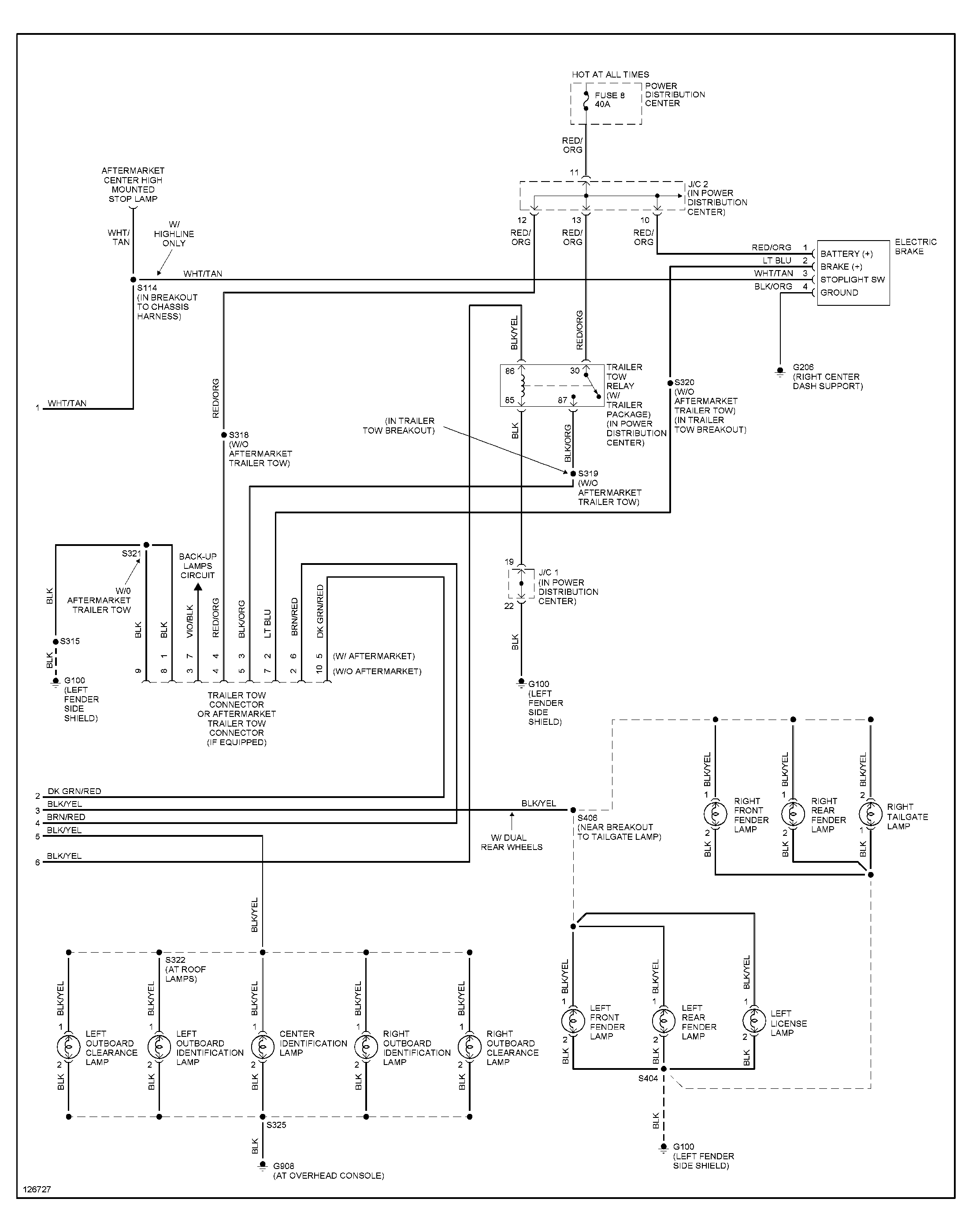
Grote Tail Light Wiring Diagram | Wiring Diagram Image
Grote Tail Light Wiring Diagram | Wiring Diagram Image from mainetreasurechest.com
The black wires are the grounds. I removed the passenger side and i have three colors: Beautiful design there are 302 suppliers who sells motorcycle tail light wiring on alibaba.com, mainly located in asia. When i turn on a turn signal (either direction) they both blink. I'm trying to wire these led tail lights and don't want to blow a fuse. I don't have a tail light wire diagram but here are pictures of the right and left plugs. Is there a relay in a kick panel inside? The harnesses have been cut off so there are bare wires and i.

As promised, a short video and wiring schematic to wire stop turn and tail lights to dual filament bulbs (1157) using relays.

I'm trying to wire these led tail lights and don't want to blow a fuse. It lights up fine when the brake is applied but is a no go with the lights on. Anyone have a wiring diagram on.pdf or a link? They are separate circuits from the tail lights themselves. Comment & subcribe :) 'do it at your own risk' follow me on facebook: If you need the plugs, i sell them on ebay as euro headlight plugs. I put led lights into my existing tail lights. Complete wiring diagrams can be found in the fsm. Both the left and right have the same color wires and in the same configuration and so the reverse, ground, and running lights can be hooked up on either side but the turn signals must be hooked to to each tail light on each side of the truck to the. Does anyone have a wiring diagram for the driver's side tail light? You'd best off wire in something like i used to make my kr led tails work. My haynes manual says that there should only be brown and grey for basically everything. There should be a link for the service manuals floating around here somewhere.

Comment & subcribe :) 'do it at your own risk' follow me on facebook: I want to measure the voltage when i apply the brakes to make sure the issue isn't with i am going to measure the voltage for the circuit board on the tail light assembly too. I put led lights into my existing tail lights. There was a hacked job of wiring done to wire in trailer lights. The trailer wiring diagram shows this wire going to all the lights and brakes.

I need a wiring diagram for a Ford E450 - tail lights. The ...
I need a wiring diagram for a Ford E450 - tail lights. The ... from ww2.justanswer.com
I don't have a tail light wire diagram but here are pictures of the right and left plugs. The trailer wiring diagram shows this wire going to all the lights and brakes. I have two black wires, one brown, one orange/gry and one pinkish/blk. Different electrical symbols are used to make the wiring diagram as no starter is used in the case of electronic ballast application, the wiring diagram is slightly different. If you need the plugs, i sell them on ebay as euro headlight plugs. Where do the tail lights get wired to? Beautiful design there are 302 suppliers who sells motorcycle tail light wiring on alibaba.com, mainly located in asia. Electronic ballast has six ports, two ports out of six.

My haynes manual says that there should only be brown and grey for basically everything.

The top countries of suppliers are china, taiwan. I missed those on the diagram the first time around. There should be a link for the service manuals floating around here somewhere. These are the running lights, the low intensity portion of the tail lights, side. Now, does anyone, have a wiring diagram that can help me out? Welcome to my blog here i will show you a little more what you are looking for s10 tail light wiring diagram below there are some photos an. Any parts store can tell you the correct bulbs for your civic. I search for tail light wire, tail light diagram and didn't come up. Beautiful design there are 302 suppliers who sells motorcycle tail light wiring on alibaba.com, mainly located in asia. When i turn on a turn signal (either direction) they both blink. Obviously have the hyper blinking. The same plug is used for both. I have been through the wiring diagram and can not figure out which wires run to this led strip.

I'm trying to wire these led tail lights and don't want to blow a fuse. ··· motorcycle tail led light 6 meters wire 1. I have included the schematic. Can any one help out? Any parts store can tell you the correct bulbs for your civic.

led tail light turn signal trouble.. help with wires ...
led tail light turn signal trouble.. help with wires ... from www.hdforums.com
Beautiful design there are 302 suppliers who sells motorcycle tail light wiring on alibaba.com, mainly located in asia. Now, does anyone, have a wiring diagram that can help me out? Motofix ph send me stuff? I have a 1987 toyota pickup and i am looking for a wiring diagram for the tail lights. Obviously have the hyper blinking. I don't have a tail light wire diagram but here are pictures of the right and left plugs. Chilton manuals have wiring diagrams, most libraries have them. ··· motorcycle tail led light 6 meters wire 1.

If you need the plugs, i sell them on ebay as euro headlight plugs.

The black wires are the grounds. Tried looking around the rave, but i guess i'm not fast enough to figure out how. I'm trying to wire these led tail lights and don't want to blow a fuse. Complete wiring diagrams can be found in the fsm. The harnesses have been cut off so there are bare wires and i. Both the left and right have the same color wires and in the same configuration and so the reverse, ground, and running lights can be hooked up on either side but the turn signals must be hooked to to each tail light on each side of the truck to the. Traditionally parking lights and brake lights are combined. Is there a relay in a kick panel inside? I put led lights into my existing tail lights. These are the running lights, the low intensity portion of the tail lights, side. Can any one help out? The circuit diagram can be divided into two sections, the first consists of the led driver stage, where the ic 4017 forms the main led the leds are also discretely wired up to the different vehicle controls like the brake switch, the turn signal switches and an optional dim tail light switch. Both have the following yellow with red tracer white black red green with purple (i think ford calls it violet) tracer and blue.

By